產品中心
最新資訊
聯系我們
產品名稱: 英飛凌IGBT模塊 FF800R12KE3 800A 1200V
產品類型: 英飛凌IGBT
產品型號: FF800R12KE3
發布時間: 2018-09-21
- 產品描述
詳細參數
制造商: 英飛凌
產品種類: IGBT 模塊
集電極發射極最大電壓 VCEO: 1200 V
集電極射極飽和電壓: 1.7 V
在25 C的連續集電極電流: 1200 A
柵極—射極漏泄電流: 400 nA
功率耗散: 3.9 kW
最小工作溫度: - 40 C
最大工作溫度: + 125 C
封裝: Tray
高度: 38 mm
長度: 140 mm
寬度: 130 mm
柵極發射極最大電壓: +/- 20 V
包裝數量: 2只
功率半導體器件是電能轉換的關鍵器件 ,而 IGB T 又是功 率器件中目前發展最快且很有發展前途的一種混合器件 ,由于 其具有開關速度快、驅動功率小、電流容量大、電壓等級高且價 格低等優點 ,使其應用范圍越來越廣泛 ,特別在開關電源、逆變 焊機、U PS、變頻調速器等領域中更是大量應用。 在功率較大的電力電子設備中 ,主電路的形式一般均采用 橋式電路 ,而在橋式電路中 ,功率器件 IGB T 的驅動及吸收電 路對其能否正常可靠使用起著至關重要的作用。驅動及吸收電路的參數設計合理 ,可以大大延長 IGB T 的使用壽命 ,提高 設備的可靠性。否則 ,將會使 IGB T 經常失效 ,甚至無法工作。
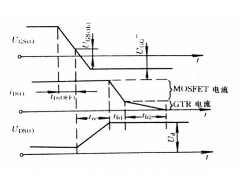
IGBT 在關斷過程中,漏極電流的波形變為兩段。因為 MOSFET 關斷后, PNP 晶體 管的存儲電荷難以迅速消除,造成漏極電流較長的尾部時間, td(off) 為關斷延遲時間, trv 為電壓 Uds(f) 的上升時間。實際應用中常常給出的漏極電流的下降時間 Tf 由下圖中的 t(f1) 和 t(f2) 兩段組成,而漏極電流的關斷時間 t(off)=td(off)+trv 十 t(f) ( 2 - 16 ) 式中, td(off) 與 trv 之和又稱為存儲時間。

- 其他產品

英飛凌igbt銷售
