最新資訊
contact us
聯系我們
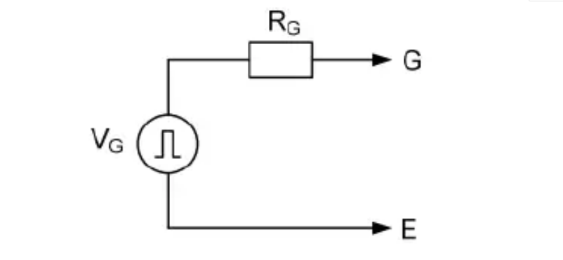
如何選擇IGBT的門極驅動電阻?
- 編輯 :
深圳逸盛通科技有限公司
時間 : 2018-09-19 20:45 瀏覽量 : 119
相關新聞
- 氮化鎵技術如何應用在適配器和充電器領域? 03-18
- IGBT高頻電源 01-11
- IGBT器件的國產化為何如此重要? 01-07
- 如何正確計算并最大限度減小IGBT的死區時間? 12-22
- IGBT的作用及應用! 12-21
- 英飛凌TRENCHSTOP應用優勢 10-31
- IGBT的主要應用領域 10-31
- 數字化大功率IGBT驅動保護電路如何實現? 10-26
- 電動汽車逆變器用IGBT驅動電源設計研究 10-25
- 英飛凌EiceDRIVER?驅動碳化硅(SiC) MOSFET 10-22

英飛凌igbt銷售
