在脈沖電源中,驅動電路的質量直接關系到逆變器的正常工作。一個好的驅動電路首先要保證開關的安全,其次要使開關的損耗小。這兩者之間存在矛盾。因為功率開關元件引起的損耗主要是開關損耗(開關損耗和關斷損耗)。開關損耗與驅動脈沖信號上升沿和下降沿的陡度密切相關。下降沿和上升沿越陡,開關損耗越小,即電壓和電流重疊的時間越短。然而,較陡的上升和下降沿將產生過大的脈沖電流和電壓尖峰,這威脅到開關的安全。因此,為了實現安全有效的供電,有必要抑制或吸收這些電流和電壓尖峰。本文介紹了一種變壓器驅動的大功率IGBT模塊電路。它不僅具有很強的驅動能力,而且能很好地吸收電壓和電流尖峰。
1。驅動電路分析及驅動電路存在的問題
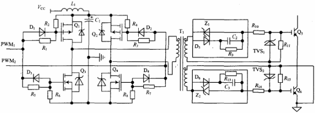
在中頻脈沖滲碳電源中,快速進行過電流保護非常重要,驅動脈沖的無延遲傳輸在實時過電流保護中起著重要作用。同時,為了減少開關損耗,也需要驅動脈沖非常陡峭的上升和下降。一些特殊場合要求緊湊、簡潔,不需要額外的驅動電源等。考慮到上述要求,采用變壓器隔離全橋驅動電路,其電路如圖1所示。

圖1變壓器隔離全橋電路
在圖1中,每個臂選擇一個NMOSFET和一個PMOSFET。兩個PWM控制信號1或2是高電平,即,1是高電平,2是低電平,Q 1和Q4是關閉的,Q 2和Q3是接通的,Q5是接通的。此時,Q2、Q3和T1的初級繞組將形成一條路徑。在T1的一次側施加脈沖電壓,相應的二次側得到驅動脈沖信號。1、2為低電平,Q1、Q2同時接通,T1原邊短路,則次邊無脈沖輸出。MOSFET導通電阻小,響應快,能提供瞬時導通IGBT所需的大電流,保證驅動脈沖具有較陡的上升和下降沿。應注意的是,滲碳脈沖電源的輸出脈沖控制芯片采用UC3825,屬于峰值電流控制芯片。它具有抗磁偏置的能力,并且不需要添加直流電容器來防止磁偏置。相反,當增加直流電容時,會出現兩個PWM控制信號不能同時關斷的問題。在移除直流電容器之后,問題就消失了。因此,在使用直流電容時應注意芯片的控制方式,防止偏置。
雖然上述驅動電路解決了驅動信號的無延遲傳輸問題,并且為驅動脈沖提供了較陡的上升和下降沿,但是在驅動脈沖的上升和下降沿也有較大的開關峰值。上升沿過沖主要是由泄漏引起的。詳細討論了超調的具體分析和消除方法。下降沿的開關峰主要是由勵磁電感引起的。通常,這兩個峰值的減小是通過增加Rg(柵電阻)來實現的,但是增加Rg將減緩驅動脈沖的上升沿和下降沿的陡峭度并增加開關損耗。

圖2.第一脈沖周期的每個波形的時間序列圖
具體工作過程分析如下:圖2為脈沖周期。當正脈沖上升沿(t0~t3)出現時(這里只考慮正脈沖),電容C等效于短路。通過二極管D和電容C,IGBT可以獲得較大的瞬時電流,從而縮短了驅動脈沖的上升時間。在圖2中,正脈沖是IGBT的驅動信號,而負脈沖的上升沿是由另一個驅動脈沖引起的。因此,我們需要討論的是另一個驅動脈沖的下降沿峰值。這四個輸出脈沖是一樣的,所以我們只需要討論一種方式。然而,為了直觀和完整,這里將其討論為局部負脈沖的上升沿(如下所述)。當然,穩壓支路也有電流流動,但是與加速電容器C支路相比,它非常小。沒有電阻R,電容器將在幾個脈沖周期內充電并失去其加速度。因此,需要當每個周期的上升沿到達時,電容器C的電荷不應該存儲在電容器上。因此,一個小電阻并聯連接到電容器,為電容器提供放電電路。IGBT的輸入柵極電容為滿,在平頂期間(t3-t4)柵極保持高電平。此時,IGBT的GE等效于斷開,變壓器二次側保持高電平。當脈沖下降沿(t4-t9)到達時,IGBT的輸入電容器在此期間將向后放電,需要減速。如果放電速度太快,將導致很大的關斷峰值。因此,需要阻止通過加速電容器的加速放電。因此,在加速電容器前面串聯一個快速恢復二極管,以便僅通過穩壓管放電。壓力調節器能很好地吸收其峰值,控制其下降沿的陡度。
在改進電路中增加的器件可以看作是一個可變電阻:當脈沖的上升沿開始到達IGBT Miller平臺(t0-t2)時,電阻值非常小,主要是充電電流流過加速電容器的分支,從而持續加速柵極電容器的充電。IGBT。在此期間,IGBT Miller平臺的充電電流率隨著電容器電壓的增加而逐漸減小。在米勒平臺末端,充電電流為零,充電電流達到最大值。這可以通過柵極電阻上的電壓波形來確認。在上升沿(t3)的末端,充電電流減小到幾乎為零,因此沒有出現過沖峰值。在電容器加速以阻塞其快速放電通道之前,添加反向二極管。圖3是原始的驅動波形;圖4是附加電路驅動波形;圖5是負載滿時的驅動波形。
圖3原始驅動波形
2。驅動電路改進方法分析
圖1所示的電路是對原有驅動電路的改進。通過在柵極上增加穩壓器、二極管、電容器和電阻,可以良好地吸收上升沿、下降沿和峰值。
從圖3和圖4的比較中可以看出,在小延遲的情況下,峰值應該最小化。從圖3中可以看出,要減小的主要峰值是負脈沖后緣處的過沖峰值,因為這個峰值可能達到IGBT的開口電壓(Vth),這將導致同一橋臂的兩個IGBT直接通過。同時,從圖5可以看出,驅動波形在滿載(600V/30A)下具有良好的穩定性,沒有大的峰值,保證了IGBT的穩定性。設置,安全工作。

圖4改進了電路驅動波形

圖5滿載驅動波形
驅動等效電路如圖6所示。其中,Lm是變壓器次級側的勵磁電感;Z1是電壓調節器(其反向等效于二極管,所以用二極管代替它);Rg是驅動電阻,Cgs是柵極和IGBT源之間的電容;R1是線路的等效電阻。等效電路表明:
Vgs=Vab+VZ1+VRg+VR1(1)
R1的實際值非常小,可以忽略不計。穩壓二極管在D1和C1的兩端并聯連接。它的電壓是D1和C1兩端的電壓之和。電壓調節器二極管是一種“可變”電阻器,可隨電流自動調節。通過改變電阻來控制上升沿和下降沿的速率,可以控制過沖峰值的大小。測量的Rg和驅動變壓器次級側的反向波形如圖7所示。Rg上的電壓波形是流過勵磁電感的電流波形。正脈沖下降沿的過沖峰值是由激勵電感引起的:
U=Lmdi/dt(2)
從公式(2)可以看出,勵磁電感越小,勵磁電感上的電壓尖峰越小,IGBT G-S之間的電壓尖峰越小。對于脈沖平頂,應綜合考慮各種情況。

圖6。正脈沖下降沿的等效電路

圖7Rg和變壓器次級側的反向波形
三。結論
通過對上述改進電路的詳細分析,可知驅動脈沖過沖峰值對安全構成威脅。
以上內容由深圳市逸盛通科技有限公司為您帶來,深圳市逸盛通科技有限公司是一家集代理、分銷、直銷及為一體的電力電子半導體銷售和電力電子行業解決方案的產業鏈供應商。公司與各種半導體公司旗下的各大代理商長期保持良好的合作分銷關系。找深圳英飛凌igbt廠家,深圳英飛凌igbt銷售;就找逸盛通!歡迎來電咨詢:13316584388