
英飛凌建議利用負柵極電壓來安全關斷和阻斷IGBT模塊。在標稱電流小于100 A的區域,往往出于成本原因忽略負柵極電壓。本文介紹了IGBT模塊單極驅動的特殊注意事項。

最近幾代英飛凌IGBT芯片擁有諸多優勢。其中一些亮點包括動態范圍更寬、開關速度更快、開關損耗更小并且導通損耗更低等。
使用0V關斷時,可能會出現下面兩種我們不愿意看到的情況:
1)通過米勒電容導通
當開通半橋中的下管IGBT時,上管IGBT /二極管發生電壓變化dvCE/dt。這會引起位移電流,位移電流值為:

電流iCG流過米勒電容、柵極電阻、CGE和直流總線,對上管IGBT的寄生電容CCG充電。電容CCG和CGE構成電容分壓器。圖1描述了流過上管IGBT的米勒電容的電流路徑。

電流iCG在柵極電阻上產生電壓降。如果柵極電阻上的電壓降超過IGBT的閾值電壓,則發生寄生導通。
隨著芯片溫度的升高,閾值電壓每攝氏度下降數mV。高溫下更易引發寄生導通。
當上管IGBT開關時,電流流過下部IGBT的米勒電容,同樣也可能導致下管的寄生導通。
2)通過雜散電感導通
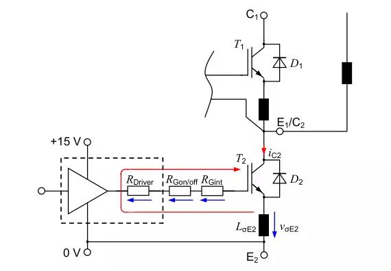
如果關斷負載電流,發射極雜散電感上會產生感應電壓

開關IGBT T1時,主電流將從續流二極管D1換向到IGBT。由于二極管電流衰減產生的電流變化率diC2/dt在LσE2上產生感應電壓,并使T2的發射極電位變為負值。如果通過高diC/dt產生的感應電壓高于IGBT的閾值電壓,那么這將導致T2的寄生導通。

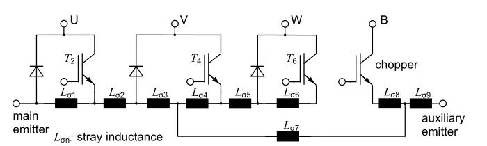
3)具有共輔助發射極的模塊中的寄生導通
在多個IGBT芯片并聯的模塊中,各個芯片的輔助發射極都連接到一個共用發射極,非常快速的開關可能導致發射極的雜散電感上產生感應電壓。
等效電路圖如圖3所示:

模塊中的寄生電感在此編號為Lσ1至Lσ9。導通IGBT T6時,Lσ2和Lσ3 上產生的感應電壓會影響T2。因此,當IGBT T2的發射極電位變化超過閾值電壓時,IGBT T2寄生導通。

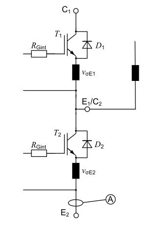
為了檢驗寄生導通,需要在模塊的橋臂上引入電流傳感器。兩次測量可得出明確的證據。
建議使用介于0.1?Icnom到2?Icnom之間的不同電流進行測量。
當兩條電流曲線差別很大時,就證明了寄生導通。這里要特別注意的是更高的電流峰值、更寬的反向電流峰值和額外的電流脈沖。 “解決方案建議”一章中詳細介紹了抑制誤導通的方法。

在支持螺旋端子電源連接的應用中,通常可以使用Rogowski線圈進行測量。不過,在大多數情況下,無法直接在橋臂上進行測量。在較小的模塊中,負載電流通常通過焊針引入PCB。這里建議在DC總線中測量,如使用Rogowski線圈或電阻分流器。

1)改變柵極電阻
通過改變柵極電阻RGon可以影響導通期間的電壓變化率-dvCE /dt和電流變化率diC /dt。增大柵極電阻可減小電壓和電流變化,使IGBT開關速度更慢;改變柵極電阻對各參數的影響詳見文后表1。
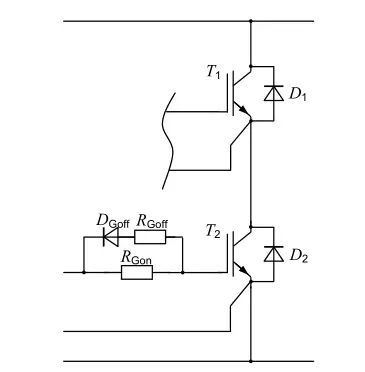
通過減小RGoff值可避免電容寄生導通。不過,通過增大RGoff值能防止電感寄生導通。
2)分開的柵極電阻幫助實現安全的導通和關斷特性
在許多應用場合下,使用獨立的導通和關斷電阻時可實現較為安全的開關特性。

選擇RGoff <RGon 防止米勒電容導致的電容寄生導通;原理參見“通過米勒電容導通”內容。
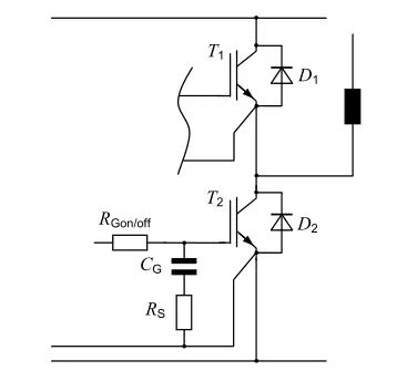
3)外加柵極發射極電容用于分流米勒電流
可以通過柵極和發射極之間的外加電容CG來影響開關性能。該電容將吸收來自米勒電容的額外電荷。由于IGBT的總輸入電容為CG ||CGE,因此達到閾值電壓所需的柵極電荷增加。

對于沒有內部柵極電阻的IGBT模塊,建議在電容上串聯一個外加電阻RS,以防止振蕩。RS的推薦值為

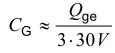
為外加電容器推薦的電容也來自經驗,并通過計算得出

由于額外增加了電容,所需的驅動器功率也會增加。并且IGBT顯示出更高的開關損耗,這將取決于如何選擇RGon / off。
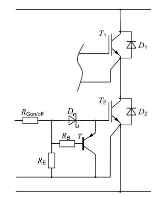
4)晶體管用于分流米勒電流(有源米勒鉗位)
防止意外導通的另一措施是短接柵極到發射極。這可以通過柵極和發射極之間的外加晶體管來實現。
只要驅動器在其輸出端輸出0V,晶體管“開關”就會在一段時間延遲后開啟,從而使柵極-發射極區短路。米勒電容上的電流iCG從晶體管上以可控方式分流,從而保證IGBT安全開關。


表1概述了上面討論的措施及其利弊。RGon用于導通IGBT;RGoff用于阻斷和關斷IGBT。RGon/off是用于導通和關斷IGBT的共用電阻。
表1:不同措施的效果
++:非常好的結果
+:有所改善
-:有所下降
o:無變化
↑:增加
↓:降低
(英飛凌igbt廠家)